一、TIP42C 基本概況
TIP42C 屬于 PNP 型功率晶體管,其采用經典的 TO - 220 塑料封裝形式,這種封裝不僅具備良好的散熱性能,還便于在各類電路板上進行通孔安裝,極大提升了器件在實際應用中的可靠性和通用性。從材料構成來看,TIP42C 以 SI - NPN 材質為基礎,該材質賦予其穩定的電氣特性和較長的使用壽命。
在應用場景方面,TIP42C 的適用范圍十分廣泛,涵蓋了音頻放大、功率線性調節以及開關控制等諸多領域。例如在音頻設備中,它能夠為音頻信號提供穩定且精準的放大功能,確保音頻輸出的高保真度與高品質;在功率線性應用里,可以實現對功率信號的精細調控,滿足不同功率需求下的穩定供電;而在開關應用中,則憑借其快速的響應特性,實現電路的高效通斷控制。
與 TIP42C 相輔相成的 PNP 類型中功率三極管是 TIP41C,二者在電路設計中常常成對出現,共同完成諸如信號放大以及音頻功放等重要功能,為電子設備的正常運行和性能發揮奠定堅實基礎。
二、TIP42C 電氣參數詳述




(一)電壓特性
集電極 - 發射極電壓(VCEO) :TIP42C 能夠承受的最高集電極 - 發射極電壓為 100V。這一參數意味著在電路正常工作時,集電極與發射極之間所能承受的最大電壓差為 100V,倘若超出此電壓范圍,可能會導致器件出現擊穿或性能下降等不良狀況。
集電極 - 基極電壓(VCBO) :其集電極 - 基極電壓同樣為 100V,這表明集電極與基極之間承受的最大電壓差被嚴格限定在 100V 以內,確保器件在高電壓環境下的穩定性和可靠性。
發射極 - 基極電壓(VEBO) :發射極 - 基極電壓的極限值為 5V,相對其他電壓參數而言,其值較小,這體現了發射極與基極之間在電壓耐受方面的特殊性,需要在電路設計中加以小心謹慎的考慮,避免因該部分電壓過高而對器件造成損害。
飽和壓降(VCE(sat)) :在 6A 的電流條件下,TIP42C 的飽和壓降為 1.5V。飽和壓降是衡量晶體管在飽和導通狀態下性能的關鍵指標,較低的飽和壓降有助于減少器件在導通時的功耗,提升整個電路的能效比。
(二)電流特性
最大集電極電流(IC) :TIP42C 允許通過的最大集電極電流是 6A,這為器件在大電流應用場景中劃定了明確的界限,確保在不超過此電流值的前提下,TIP42C 能夠穩定且高效地工作,為電路提供所需的電流驅動能力。
直流電流增益(hFE) :該器件的直流電流增益范圍在 15 - 75 之間。直流電流增益反映了晶體管對電流的放大能力,不同增益值適用于不同應用場景,例如在低增益下適合于對電流控制精確度要求較高的場合,而高增益則可用于實現較大的電流放大效果。
(三)功率與頻率特性
功率耗散(Pd) :采用 TO - 220 封裝的 TIP42C,其功率耗散能力可達 65W。功率耗散參數直接關系到器件在高功率運行時的散熱需求以及所能承受的最大功率限制,這對于設計高功率密度電路具有重要的參考價值。
增益帶寬積(fT) :其增益帶寬積為 3MHz,這一參數體現了 TIP42C 在不同頻率下的增益表現與頻率響應能力,有助于工程師在設計高頻電路時合理評估器件的適用性。
三、物理與封裝特性
封裝類型 :TIP42C 堅持采用經過市場長期驗證的 TO - 220 - 3 通孔安裝封裝形式,該封裝具有良好的機械穩定性和電氣絕緣性,能夠有效保護內部芯片免受外界環境因素的干擾,同時便于在各類傳統電路板上進行安裝與焊接操作。
工作溫度范圍 :TIP42C 的工作溫度范圍極為寬泛,從 - 55℃到 + 150℃,無論是嚴寒還是酷熱的工作環境,它都能穩定地發揮其性能,這一特性使其在眾多工業、汽車以及戶外電子設備領域得到廣泛應用。
熱阻(結至外殼) :其熱阻為 1.92℃/W,較低的熱阻意味著器件能夠更高效地將內部產生的熱量傳遞到外殼,進而通過外部散熱措施(如散熱片等)進行散熱,這對于保證器件在高功率持續運行時的穩定性至關重要。
四、TIP42C 的代換方案
在實際應用中,有時會面臨 TIP42C 器件短缺或需要性能優化等情況,因此了解其代換方案具有重要意義。
(一)直接代換型號
BD244 :在電氣特性和封裝形式上與 TIP42C 高度相似,可實現無縫替換,在大多數音頻放大和功率控制電路中,能夠提供幾乎一致的性能表現。
BD596 :具備與 TIP42C 相當的電流處理能力和電壓耐受能力,同時在直流電流增益等方面也有相近的表現,是 TIP42C 的理想替代選擇之一。
BD606 :同樣是與 TIP42C 兼容性良好的直接代換型號,其功率耗散能力和工作溫度范圍與 TIP42C 接近,在電路中替換后,通常無需對電路進行額外的參數調整。
3CD10D(國產) :作為國產器件,經過多年的技術發展和市場驗證,其性能已接近 TIP42C,在一些對成本較為敏感的應用場景中,可作為可靠的替代方案,且在國產化替代趨勢下,具有更廣闊的應用前景。
(二)互補配對管
TIP41C(NPN 型) :作為 TIP42C 的互補配對管,二者在電路中常常協同工作,尤其是在推挽式電路結構中,TIP41C 與 TIP42C 可以相互配合,實現對信號的高效放大和傳輸,提升整個電路的性能和效率。
(三)高性能替代方案
MJE15031 :若對電路性能有更高要求,MJE15031 是一種高性能的替代選擇。然而,在選用該型號進行代換時,需要注意其引腳兼容性問題,可能需要對電路板進行適當的調整和修改,以確保引腳連接正確無誤,實現器件的正常工作。
(四)其他代換型號
除了上述幾種主要的代換方案外,還有眾多其他型號可供選擇,如 D880、D633、C2073、2N3733、C2335、BD712、BD912、BDT42C、BDT42CF、MJE5170、MJE5171、MJE5172、TIP42CF 或 TIP42CG 等。這些型號各自具有不同的性能特點和適用場景,在進行代換時,需要根據具體電路需求以及對器件性能的要求,進行詳細的參數對比和評估,以確保代換后電路能夠穩定、可靠且高效地運行。
五、代換注意事項
關鍵參數匹配 :在任何代換操作中,首要確保關鍵參數(Vceo、Ic、hFE)與原 TIP42C 器件相匹配。這些參數直接關系到電路的正常工作和性能發揮,若不匹配,可能導致電路無法達到預期的設計要求,甚至出現故障或損壞。
封裝兼容性 :同時,還需保證代換器件的封裝與原電路板的安裝設計相兼容,否則可能因引腳位置、尺寸等方面的問題,導致器件無法正確安裝或焊接不良,影響電路的整體性能和穩定性。
電路穩定性重新評估 :若選擇更高功率的代換器件,如 A1941/C5198 對管,雖然可以滿足更大功率輸出的需求,但必須重新對電路的穩定性進行全面評估。因為功率的提升可能會引入新的問題,如電磁干擾增加、散熱要求提高以及電路諧振特性改變等,需要通過詳細的分析和測試,采取相應的措施來確保電路在高功率條件下的穩定運行。
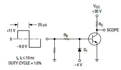
tip42c電路圖

〈烜芯微/XXW〉專業制造二極管,三極管,MOS管,橋堆等,20年,工廠直銷省20%,上萬家電路電器生產企業選用,專業的工程師幫您穩定好每一批產品,如果您有遇到什么需要幫助解決的,可以直接聯系下方的聯系號碼或加QQ/微信,由我們的銷售經理給您精準的報價以及產品介紹
tip42c電路圖

〈烜芯微/XXW〉專業制造二極管,三極管,MOS管,橋堆等,20年,工廠直銷省20%,上萬家電路電器生產企業選用,專業的工程師幫您穩定好每一批產品,如果您有遇到什么需要幫助解決的,可以直接聯系下方的聯系號碼或加QQ/微信,由我們的銷售經理給您精準的報價以及產品介紹
聯系號碼:18923864027(同微信)
QQ:709211280

