提升驅動電流能力的電路方案
在電子電路設計中,僅依靠單片機 IO 口來驅動 MOS 管以實現快速開關操作較為困難,畢竟單片機 IO 口的驅動能力有限。采用兩個三極管搭建推挽輸出驅動電路是一種成本較低且效果良好的解決方案。


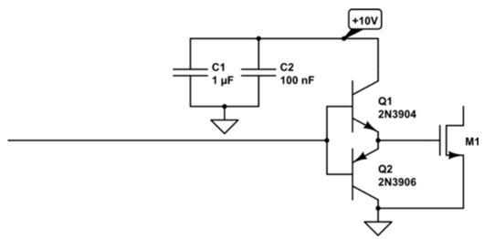
一、PNP 加速關斷驅動電路
(一)工作原理
利用 PNP 三極管加速 NMOS 關斷的電路設計如下圖所示。在開啟狀態下,電流經二極管 D 流通;而在關斷狀態下,PNP 三極管則主動從 G 極汲取電流。


(二)動態過程電流流向
下圖展示了 PNP 加速 NMOS 關斷的動態過程電流流向。當控制端從低電平切換至高電平時,Vbe > 0,Q2 關斷,充電電流經二極管 D 流入,Q1 開啟;當控制端從高電平切換至低電平時,G 極電平不會瞬間改變,此時 Vbe < -0.7 V,Q2 導通,Q2 快速從 G 極汲取電荷,促使 G 極電平迅速下降,實現 Q1 的快速關斷。


(三)電路特點與元件作用
PNP 加速關斷電路因其加速三極管的作用,可實現瞬間的柵源短路,從而達到最短的放電時間。二極管的加入一方面可保護三極管基極,另一方面為導通電流提供回路及偏置。
(四)優缺點分析
該電路的優點在于能夠近似實現推拉效果,加速效果顯著。其主要缺點是由于柵極經過兩個 PN 節,無法真正使柵極達到 0 V(GND),但此時電壓已足夠低,不會影響 NMOS 的完全關斷。
二、NPN 加速關斷驅動電路
(一)工作原理
使用 NPN 三極管加速 PMOS 關斷的電路如下圖所示。在關斷時,電流經二極管 D 流通;而在導通時,NPN 三極管則主動向 G 極灌入電流。


(二)動態過程電流流向
下圖展示了 NPN 加速 PMOS 關斷的動態過程電流流向。當控制端從高電平切換至低電平時,Vbe < 0,Q1 關斷,放電電流經二極管 D 流出,Q2 開啟;當控制端從低電平切換至高電平時,G 極電平不會瞬間改變,此時 Vbe > 0.7 V,Q1 導通,Q1 快速向 G 極灌入電荷,促使 G 極電平迅速上升,實現 Q2 的快速關斷。


〈烜芯微/XXW〉專業制造二極管,三極管,MOS管,橋堆等,20年,工廠直銷省20%,上萬家電路電器生產企業選用,專業的工程師幫您穩定好每一批產品,如果您有遇到什么需要幫助解決的,可以直接聯系下方的聯系號碼或加QQ/微信,由我們的銷售經理給您精準的報價以及產品介紹
聯系號碼:18923864027(同微信)
QQ:709211280

