三端穩壓管(三端穩壓管)一般指三端穩壓塊,穩壓塊的作用是將電壓進行降壓處理,并穩定為某一固定的值后輸出。它是一種直到臨界反向擊穿電壓前都具有很高電阻的半導體器件。
穩壓管在反向擊穿時,在一定的電流范圍內(或者說在一定功率損耗范圍內),端電壓幾乎不變,表現出穩壓特性,因而廣泛應用于穩壓電源與限幅電路之中。
可分為正電壓穩壓塊和負電壓穩壓塊兩種,正電壓的有78系列、負電壓的有79系列,兩個系列是不能互換使用的,所以在選用時不要弄混。
穩壓塊的作用是將電壓進行降壓處理,并穩定為某一固定的值后輸出。例如,三端穩壓塊7805可將小于35v的電壓降成穩定的5v輸出電壓。它比只使用一只穩壓二極管進行穩壓的電路要好得多,成本也不是很高,所以應用還是很廣泛的。
三端穩壓管,主要有兩種,一種輸出電壓是固定的,稱為固定輸出三端穩壓管,另一種輸出電壓是可調的,稱為可調輸出三端穩壓管,其基本原理相同,均采用串聯型穩壓電路。


78或78L和M,或78m12、79l24,用來區分輸出電流和包裝形式,其中78L系列的最大輸出電流100毫安,78系列最大輸出電流是1、78系列,最大輸出電流1.5a。它也有各種各樣的封裝,如圖表所示。
三端穩壓管的樣子就像是普通的三極管,三端IC是指這種穩壓用的集成電路只有三條引腳輸出,分別是輸入端、輸出端和接地端。將元件有標識的一面朝向自己,若是78系列,三條引腳從左到右分別為輸入端、接地端和輸出端;
若是79系列,三條引腳分別為接地端、輸入端和輸出端。常用的一種三端穩壓器,7805,這個在電路中最常用,可以提供5V的電壓,提供幾百毫安的電流,需要注意,電流稍微大些,需要增加散熱片。
該系列集成穩壓IC型號中的78或79后面的數字代表該三端集成穩壓電路的輸出電壓,如7805表示輸出電壓為正5V,7912表示輸出電壓為負12V。
有時在數字78或79后面還有一個M或L,如78M12或79L24,這是用來區別輸出電流和封裝形式等, 其中78L系列最大輸出電流為100mA,78M系列最大輸出電流為1A,78系列最大輸出電流為1.5A。
它們的封裝也有多種,根據元件的安置情況會有所不同。在實際應用中,當穩壓管溫度過高時,穩壓性能將會變差,甚至損壞,所以 應在三端集成穩壓電路上安裝足夠大的散熱器 (除非小功率的條件下不用)。
三端穩壓管的種類還是比較多的,一般在5-24v之間,像5V、6V、7V、8V、9V、10V、12V、15V、18V和24V都是我們在電路設計中經常會用到的,負電壓也是如此,可以認為這兩個管子是互補對稱的。輸出電流以78(或79)后面加字母來區分L表示0.1;AM表示0.5A,無字母表示1.5A,如78L05表示5V 0.1A。
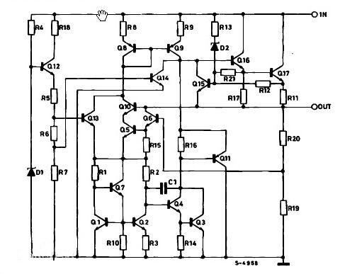
三端穩壓管內部電路圖

〈烜芯微/XXW〉專業制造二極管,三極管,MOS管,橋堆等,20年,工廠直銷省20%,上萬家電路電器生產企業選用,專業的工程師幫您穩定好每一批產品,如果您有遇到什么需要幫助解決的,可以直接聯系下方的聯系號碼或加QQ/微信,由我們的銷售經理給您精準的報價以及產品介紹

〈烜芯微/XXW〉專業制造二極管,三極管,MOS管,橋堆等,20年,工廠直銷省20%,上萬家電路電器生產企業選用,專業的工程師幫您穩定好每一批產品,如果您有遇到什么需要幫助解決的,可以直接聯系下方的聯系號碼或加QQ/微信,由我們的銷售經理給您精準的報價以及產品介紹
聯系號碼:18923864027(同微信)
QQ:709211280

