人體、環境甚至電子設備內部的靜電對于精密的半導體芯片會造成各種損傷,例如穿透元器件內部薄的絕緣層;損毀MOSFET和CMOS元器件的柵極;CMOS器件中的觸發器鎖死;短路反偏的PN結;短路正向偏置的PN結;熔化有源器件內部的焊接線或鋁線。為了消除靜電釋放(ESD)對電子設備的干擾和破壞,需要采取多種技術手段進行防范。

在PCB板的設計當中,可以通過分層、恰當的布局布線和安裝實現PCB的抗ESD設計。在設計過程中,通過預測可以將絕大多數設計修改僅限于增減元器件。通過調整PCB布局布線,能夠很好地防范ESD。
典型的通用ESD保護電路

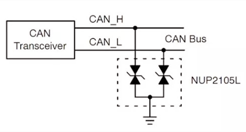
CAN Bus保護

數據線及接口保護
ESD保護措施
在實際電路設計中我們會采用以下幾種方法的一種或幾種來進行靜電保護:
1、雪崩二極管來進行靜電保護
這也是設計中經常用到的一種方法,典型做法就是在關鍵信號線并聯一雪崩二極管到地。該法是利用雪崩二極管快速響應并且具有穩定鉗位的能力,可以在較短的時間內消耗聚集的高電壓進而保護電路板。
2、使用高壓電容進行電路保護
該做法通常將耐壓至少為1.5KV的陶瓷電容放置在I/O連接器或者關鍵信號的位置,同時連接線盡可能的短,以便減小連接線的感抗。若采用了耐壓低的電容,會引起電容的損壞而失去保護的作用。
3、采用鐵氧磁珠進行電路保護
鐵氧磁珠可以很好的衰減ESD電流,并且還能抑制輻射。當面臨著兩方面問題時,一個鐵氧磁珠會時一個很不錯的選擇。
4、火花間隙法
這種方法是在一份材料中看到的,具體做法是在銅皮構成的微帶線層使用尖端相互對準的三角銅皮構成,三角銅皮一端連接在信號線,另一個三角銅皮連接地。當有靜電時會產生尖端放電進而消耗電能。
5、采用LC濾波器的方法進行保護電路
LC組成的濾波器可以有效的減小高頻靜電進入電路。電感的感抗特性能很好的抑制高頻ESD進入電路,而電容有分流了ESD的高頻能量到地。同時,該類型的濾波器還可以圓滑信號邊緣而較小RF效應,性能方面在信號完整性方面又有了進一步的提高。
6、多層板進行ESD防護
當資金允許的情況下,選擇多層板也是一種有效防止ESD的一種手段。在多層板中,由于有了一個完整的地平面靠近走線,這樣可以使ESD更加快捷的耦合到低阻抗平面上,進而保護關鍵信號的作用。
7、電路板外圍留保護帶的方法保護法
這種方法通常是在電路板周圍畫出不加組焊層的走線。在條件允許的情況下將該走線連接至外殼,同時要注意該走線不能構成一個封閉的環,以免形成環形天線而引入更大的麻煩。
8、采用有鉗位二極管的CMOS器件或者TTL器件進行電路的保護
這種方法是利用了隔離的原理進行電路板的保護,由于這些器件有了鉗位二極管的保護,在實際電路設計中減小了設計的復雜度。
9、多采用去耦電容
這些去耦電容要有低的ESL和ESR數值,對于低頻的ESD來說,去耦電容減小了環路的面積,由于其ESL的作用使電解質作用減弱,可以更好的濾除高頻能量。
〈烜芯微/XXW〉專業制造二極管,三極管,MOS管,橋堆等,20年,工廠直銷省20%,上萬家電路電器生產企業選用,專業的工程師幫您穩定好每一批產品,如果您有遇到什么需要幫助解決的,可以直接聯系下方的聯系號碼或加QQ/微信,由我們的銷售經理給您精準的報價以及產品介紹
聯系號碼:18923864027(同微信)
QQ:709211280

