運放恒流源電路工作原理
運放(operaTIONal amplifier)能對信號進行數學運算的放大電路。
它曾是模擬計算機的基礎部件,采用集成電路工藝制做的運算放大器,除保持了原有的很高的增益和輸入阻抗的特點之外,還具有精巧、廉價和可靈活使用等優點;
因而在有源濾波器、開關電容電路、數-模和模-數轉換器、直流信號放大、波形的產生和變換,以及信號處理等方面得到十分廣泛的應用。
電流源給定的電流,此線路通電流為定值,與你的負載阻值沒有關系。
電流源的內阻相對負載阻抗很大,負載阻抗波動不會改變電流大小。
在電流源回路中串聯電阻無意義,因為它不會改變負載的電流,也不會改變負載上的電壓。在原理圖上這類電阻應簡化掉。
負載阻抗只有并聯在電流源上才有意義,與內阻是分流關系。
由于內阻等多方面的原因,理想電流源在真實世界是不存在的,但這樣一個模型對于電路分析是十分有價值的。
實際上,如果一個電流源在電壓變化時,電流的波動不明顯,我們通常就假定它是一個理想電流源。
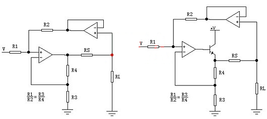
三極管和運放構成的恒流源電路分析



這幾種電路都可以在負載電阻RL上獲得恒流輸出。
第一種由于RL浮地,一般很少用。
第二種RL是虛地,也不大使用。
第三種雖然RL浮地,但是RL一端接正電源端,比較常用。
第四種是正反饋平衡式,是由于負載RL接地而受到人們的喜愛。
第五種和第四種原理相同,只是擴大了電流的輸出能力,人們在使用中常常把電阻R2取的比負載RL大的多,而省略了跟隨器運放。
第五種是對地負載。
后邊兩種是恒流源電路。
對比幾種V/I電路,凡是沒有三極管只類的單向器件,都可以實現交流恒流,加了三極管之后就只能做單向直流恒流了。
第四和第五是建立在正負反饋平衡的基礎上的,如果由于電阻的誤差而失去平衡,會影響恒流輸出特性,也就是說,輸出電流會隨負載變化。
而其他幾種電阻的誤差只會影響輸出電流的值,而不會影響輸出特性。
如果輸出電流大,或者嫌三極管的集電極電流和發射極電流不相等,可以把三極管換成MOSFET。
電話:18923864027(同微信)
QQ:709211280
〈烜芯微/XXW〉專業制造二極管,三極管,MOS管,橋堆等,20年,工廠直銷省20%,上萬家電路電器生產企業選用,專業的工程師幫您穩定好每一批產品,如果您有遇到什么需要幫助解決的,可以直接聯系下方的聯系號碼或加QQ/微信,由我們的銷售經理給您精準的報價以及產品介紹

