科技的飛速發展為人們的生活帶來了便利,各種各樣的電源開始充斥著人們的生活。其中不間斷電源被大量使用在信息和數據保護設備上,不間斷電源的發展很大程度上是依賴于IGBT、Power MOSFET等電力電子器件的。UPS擁有較多的電路拓撲結構,在這些電路當中,帶輸出變壓器的雙變換電路結構的應用是最為廣泛的。從被研發至今,這種電路結構幾乎沒有經過多少改造,而是僅僅在控制電路和用戶界面做了改進。這就從側面說明了這種電路結構的經典性。
但即便是經典,也在近幾年的科技沖擊下逐漸顯示出劣勢,相較于大熱的高頻鏈雙變換UPS,傳統的雙變換電路結構的缺點已經逐漸暴露出來,但是依賴其成熟的技術,幾乎工業化的標準模塊式結構和很高的可靠性,使它在市場擁有的份額并沒有減小,而且產量越來越大,迫使各大UPS廠商尋找新的技術,以提高效率,降低成本。尤其效率的提高,能有效地減小散熱器尺寸,減少后備電池容量,減小充電器功率,明顯減小整機體積重量。如果10KVA UPS的8小時機型,提高2%的整機效率,可以減少使用相當12V 6.5AH電池20多節。
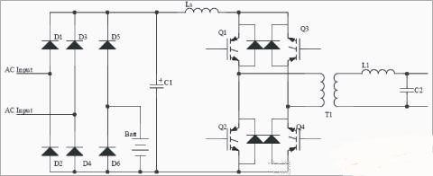
典型的雙變換UPS


圖1,帶輸出變壓器的雙變換UPS
如圖1所示,是一個典型的雙變換UPS,輸入交流電經過由D1~D4構成的全橋整流電路,整流得到220V~330V的直流母線電壓,電池電壓范圍為160V~220V,通過隔離二極管D5送給直流母線,供逆變器,所以逆變器的輸入電壓范圍為160~330V。為了輸出220V的穩定交流電壓,必然需要升壓隔離式逆變變壓器T1并采用SPWM調制技術。
由于使用IGBT,逆變器一定會采用SPWM技術,且盡量提高調制頻率來減小輸出諧波分量,但是由于考慮IGBT的開關損耗,合理的調制頻率在8~10kH*********。如果直接采用全橋式單極性調制方式,逆變變壓器有8~10kH*********的諧波分量,會有明顯的可聞運行噪聲,如果進一步提高調制頻率到20kH*********可消除可聞運行噪聲,在目前技術條件下,無論選用何種芯片技術的IGBT,都會明顯增加開關損耗,整機效率降低,這是不可取的。
現有的倍頻式PWM調制技術就能很好的解決這一問題,只要采用兩個反向的三角波,分別調制Q1和Q4,Q2和Q3,就能使輸出的調制頻率翻倍。這樣一來就能保證IGBT 工作在最理想的狀態,同時滿足整機設計要求。
實例講解


圖2
為了簡化討論,這里討論一個半橋臂的工作情況,參考圖1。我們分析當逆變器Q1關閉時的電壓電流波形,見圖2。由于負載電感的電流不能突變,繼續流過Q2,下部IGBT的中續流二極管。其電流變化速率di/dt在寄生電感上會產生一個壓降ΔV=-Lσ×di/dt,它疊加在直流母線上,可以看作在關斷Q1的電壓尖峰,這個尖峰電壓會損壞Q1。
在常見的采用半橋IGBT模塊并用并行直流母線連接的UPS設計,為了保護IGBT,使其工作在安全工作區RBSOA內,一般需要采用復雜的吸峰電路。成本高,且要消耗不少能量,有一典型的用于10kVA UPS逆變回路吸峰電路,需要80×80風扇冷卻,這是UPS逆變電路亟待改進的地方。
產生ΔV原因可以從下式可以看出:ΔV=-Lσ×di/dt,其與IGBT電流下降速率和回路的電感成正比。要減小尖峰電壓,可以減小電流下降速率,就是通常說的關斷比較軟,但是會增加損耗;另一方法是減小電感,這個電感就是寄生電感。
從原理上說寄生電感與回路包圍的面積有關,在設計中,應該選用適當的低電感器件,而且器件布局盡量緊湊。那么如何在UPS設計中減小寄生電感,廢除耗能的吸峰電路,降低成本,這是UPS設計者關心的問題。
目前UPS逆變器的功率管采用的是IGBT半橋功率模塊,如EUPEC的BSM200GB60DLC。這些IGBT都采用了雙極型三極管模塊的封裝。其體積大,成本高,自身的寄生電感也大。
在IGBT發明時,在第一代IGBT開關速度不太快的前提下,廠商采用雙極型三極管模塊的封裝國際工業標準,可以使得用戶在不改變整機結構的情況下,方便取代雙極型三極管模塊,其不失為一個很好的選擇。
結果是UPS廠商的逆變功率模塊也始終按雙極型三極管的半橋模塊設計,這樣一來引進比模塊本身更大的寄生電感。寄生電感會在IGBT關斷的過程中形成很大的尖峰電壓。尤其當今IGBT的開關速度已很高了。
那么如何來減小寄生電感是一個IGBT應用關鍵技術,最有效的方法是把并行母線改為疊層母線,減小回路包圍的面積。對于并行母線,其母線寬度與母線距離之比a/b>1,其寄生電感Lσ>300nH,而疊層母線很容易做到a/b<0.01,這樣寄生電感Lσ僅為20~30nH,考慮其它因素,寄生電感Lσ實際可以控制在100nH以下。
封裝的改進
為了使這一技術實用化,EUPEC公司在1994年制定了一種IGBT國際工業標準化的封裝,即Econo,它是第一個IGBT的封裝。Econo有兩種封裝尺寸,即Econo2和Econo3,見(圖3)?,F有的主要產品是用于逆變器三相全橋模塊。最近EUPEC推出單相全橋模塊 Econo FourPACK ,其600V系列是專為UPS設計的,包括以下幾種常用型號,見表1:


表1
Econo FourPACK系列模塊由四個IGBT和四個反向續流二極管構成,它還包括溫度檢測 NTC,可用于超載、過溫保護等。對稱的芯片分布,合理的管腳設計使得模塊內部和功率組件設計寄生電感最小;引出腳按能量流向分布,母線設計,控制線設計更容易。所有引出腳采用可焊接針,這樣便于設計雙面覆銅板疊層直流母線,它有很小的寄生電感,如果與EconoBRIDGE 整流模塊一起構成系統設計更方便,更能體現優良的性能。
結論
本篇文章主要對雙變換UPS不間斷電源的全橋IGBT進行了全方位的介紹,這種設計能夠在非常多的設計前提下對UPS不間斷電源進行性能的整體提高,從而起到明顯降低成本的作用。希望大家在閱讀過本篇文章之后,能對這種全橋IGBT有進一步的認識和理解。
烜芯微專業制造二極管,三極管,MOS管,橋堆等20年,工廠直銷省20%,4000家電路電器生產企業選用,專業的工程師幫您穩定好每一批產品,如果您有遇到什么需要幫助解決的,可以點擊右邊的工程師,或者點擊銷售經理給您精準的報價以及產品介紹
烜芯微專業制造二極管,三極管,MOS管,橋堆等20年,工廠直銷省20%,4000家電路電器生產企業選用,專業的工程師幫您穩定好每一批產品,如果您有遇到什么需要幫助解決的,可以點擊右邊的工程師,或者點擊銷售經理給您精準的報價以及產品介紹

