第一種:最簡單的穩壓電路設計原理圖
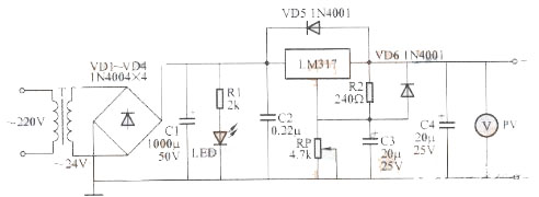
簡易可調穩壓電源采用三端可調穩壓集成電路LM317,使電壓可調范圍在1.5~25V,最大負載電流1.5A。

電路工作原理:
220V交流電經變壓器T降壓后,得到24V交流電;再經VD1~VD4組成的全橋整流、C1濾波,得到33V左右的直流電壓。該電壓經集成電路LM317后獲得穩壓輸出。調節電位器RP,即可連續調節輸出電壓。圖中C2用以消除寄生振蕩,C3的作用是抑制波紋,C4用以改善穩壓電源的暫態響應。VD5、VD6在當輸出端電容漏電或調整端短路時起保護作用。LED為穩壓電源的工作指示燈,電阻R1是限流電阻。輸出端安裝微型電壓表PV,可以直觀地指示輸出電壓值。
制作要點:
①C2應盡量靠近LM317的輸出端,以免自激,造成輸出電壓不穩定;
②R2應靠近LM317的輸出端和調整端,以避免大電流輸出狀態下,輸出端至R2間的引線電壓降造成基準電壓變化;
③穩壓塊LM317的調整端切勿懸空,接調整電位器RP時尤其要注意,以免滑動臂接觸不良造成LM317調整端懸空;
④不要任意加大C4的容量;
⑤集成塊LM317應加散熱片,以確保其長時間穩定工作。
元器件的選擇與制作:
元器件無特殊要求,按圖所示選用即可。
第二種:大電流可調穩壓電源電路
制作的一款帶電壓比較器的高穩定度大電流直流穩壓電路。主要由電源變壓、整流濾波、基準源電路、電壓比較、復合功率調整、過流保護電路等幾部分組成。電源變壓及整流濾波較為簡單,這里不多述。ICl(7805)、IC2(LM317)構成精密基準源;IC3在這里接成反相比較器,作為電壓比較電路,且同相端接入基準源,反相端輸入取樣電壓,經IC3內同相端基準進行比較后,由輸出端輸出比較的結果去控制復合調整管的導通程度,以調整輸出電壓的升降。V1、V2組成復合功率調整電路,將比較器電路的控制電流放大至數安培的負載電流,提高驅動能力。其中V1勿需像普通“串穩”電源那樣增加c、b極間的偏流電阻。V3、R6、R5組成負載過流保護電路,過流取樣電阻R6串在電源負端,不設在穩壓控制之內,使其對穩壓輸出幾乎無影響(針對取樣電阻R6串在調整管輸出端的電路而言)。

電路工作原理:
電源變壓后經整流濾波平滑的直流電壓供給穩壓電路。一路經ICl初步穩壓成5V后再供給IC2穩壓輸出作為基準電壓1.25V,此基準電壓直接供給電壓比較器IC3(LM358)的同相端;而另一路則作為IC3的供電電源。通電時IC3因V1、V2無啟動而截止無輸出,其反相端也無電壓(0V),反相比較器IC3立即會輸出高電壓,使V1、V2迅速導通,穩壓輸出從0V開始上升,經R3、RP、R4分壓取樣后送到IC3反相端的電壓也上升,與IC3的同相端1.25V基準進行電壓比較后,使IC3輸出端電壓下降回落到設定的穩壓值上。當穩壓輸出電壓因負載的接人,會引起電壓有下降趨勢時,其穩定過程是:穩壓輸出↓→IC3反相端電壓↓→IC3反相比較后輸出端↑→V1、V2導通↑→穩定輸出正常。過流保護管V3工作過程:當過流取樣電阻R6上的電壓因負載過重而超過0.7V時,V3導通,將V1的b極接地使輸出電壓下降,達到過流保護目的。
電路特點輸出穩定度高,在額定負載電流和保證調整管V2的正常壓降條件下,其輸出電壓在數字表上絲毫不動(見附表)。

元器件選擇和制作:
首先要達到大電流穩壓輸出,最起碼電源變壓器功率應相應增大,筆者實驗選用的是一只120VA的變壓器,實際應用可根據需要自行選擇。整流管選6A/200V即可,C1主濾波電解要求:≥8200μF/50V,V2為BVeeo》100V,Icm》10A,Pcm≥100W的硅NPN大功率管,如C5198,C3263等。V1、V3宜選BVeeo≥50V,Icm》IA、Pcm≥0.6W的硅NPN中功率小體積管,β≥180,推薦型號:C8050(國產、進口均可)。ICl為普通三端7805,IC2為LM317。IC3要求單電源運放,且共模電壓為0V溫漂小的。要求IC3供電負端、C3地、R4取樣地、C4地、輸出地(線路板地線寬度為2em)必須連在一起,不宜用跨線,否則無法保證高穩定輸出。附表是脫開過流保護電路(斷開R5一端)所
測的真實參考數據。只要按附圖裝焊無誤,經簡單調試就可投入使用。如果選軍品運放和金屬電阻,穩定度還會更高。
第三種:最簡單開關穩壓電源電路圖

烜芯微專業制造二極管,三極管,MOS管,橋堆等20年,工廠直銷省20%,1500家電路電器生產企業選用,專業的工程師幫您穩定好每一批產品,如果您有遇到什么需要幫助解決的,可以點擊右邊的工程師,或者點擊銷售經理給您精準的報價以及產品介紹

