由于貼片電阻因其體積太小,有時候,肉眼無法清楚辨識其阻值大小或其他原因,這的確成為了電子工程師們惱人的小問題。為解決該問題,本文專門整理了為解決該方面問題的一些方法。
如果能清晰看出貼片電阻體上的數字標識,判斷電阻值和功率值當然不存在問題。如果損壞電阻本身無標注,或已燒毀得面目全非,看不清標注,那么代換前的電阻值判斷就要費一點周折了,而且也必須做到心中有數,才能做出下一步的修復。有哪些方法可以作出較為準確的判斷呢?


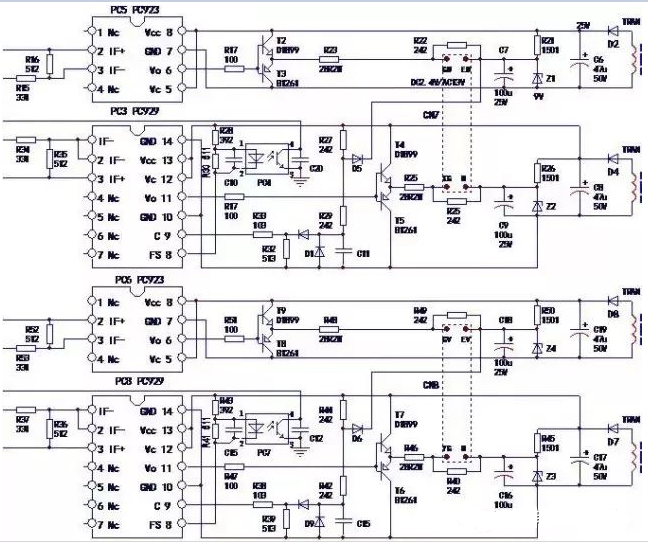
參考如上圖電路中相對應元件的電阻值。變頻器電路中的相同電路很多,如6路IGBT驅動脈沖傳輸通道,其中6個支路是完全一樣的,從MCU脈沖信號輸出引腳,至緩沖電路、至驅動IC,至IGBT的柵、射極電路。任何其中1路或數個支路中的電阻或其它元件損壞,可能參考未損壞支路中貼片元件的參數值,如無標識,可在電路板上測量確定或將元件焊脫電路板進行測定。3相輸出電流(模擬信號)的傳輸通道,3個信號檢測電路也是一般也是完全相同的,一路有損壞時,可能未損壞兩路中的元件參數,確定損壞元件的參數值。
如圖所示,PC5與PC6兩路驅動IC的外圍電路的元件參數完全相同;PC3與PC8兩路驅動IC的外圍元件參數完全相同,R17=R51、R23=R48、R22=R49……,當PC3外圍有元件損壞壞,可以“照搬”PC5相對應外圍元件的參數值進行修復。
烜芯微專業制造二極管,三極管,MOS管,橋堆等20年,工廠直銷省20%,1500家電路電器生產企業選用,專業的工程師幫您穩定好每一批產品,如果您有遇到什么需要幫助解決的,可以點擊右邊的工程師,或者點擊銷售經理給您精準的報價以及產品介紹
烜芯微專業制造二極管,三極管,MOS管,橋堆等20年,工廠直銷省20%,1500家電路電器生產企業選用,專業的工程師幫您穩定好每一批產品,如果您有遇到什么需要幫助解決的,可以點擊右邊的工程師,或者點擊銷售經理給您精準的報價以及產品介紹

