簡單地說,逆變器就是一種將低壓(12或24伏或48伏)直流電轉變為220伏交流電的電子設備。因為我們通常是將220伏交流電整流變成直流電來使用,而逆變器的作用與此相反,因此而得名。我們處在一個“移動”的時代,移動辦公,移動通訊,移動休閑和娛樂。在移動的狀態中,人們不但需要由電池或電瓶供給的低壓直流電,同時更需要我們在日常環境中不可或缺的220伏交流電,逆變器就可以滿足我們的這種需求。


場管自激逆變器電路圖文詳解


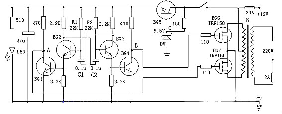
晶體管逆變器電路圖
這是一款非常容易制作的逆變器,可以將12V電源電壓變為220V市電,電路由BG2和BG3組成的多諧振蕩器推動,再通過BG1和BG2驅動,來控制BG6和BG7工作。
其中振蕩電路由BG5與DW組的穩壓電源供電,這樣可以使輸出頻率比較穩定。
在制作時,變壓器可選有常用雙12V輸出的市電變壓器。可根據需要,選擇12V蓄電池的容量。
烜芯微專業制造二三極管,MOS管,20年,工廠直銷省20%,1500家電路電器生產企業選用,專業的工程師幫您穩定好每一批產品,如果您有遇到什么需要幫助解決的,可以點擊右邊的工程師,或者點擊銷售經理給您精準的報價以及產品介紹
烜芯微專業制造二三極管,MOS管,20年,工廠直銷省20%,1500家電路電器生產企業選用,專業的工程師幫您穩定好每一批產品,如果您有遇到什么需要幫助解決的,可以點擊右邊的工程師,或者點擊銷售經理給您精準的報價以及產品介紹

